工業用計測機器

IMV(株) DB-2012 アイエムブイ パソコン用データ管理ソフト

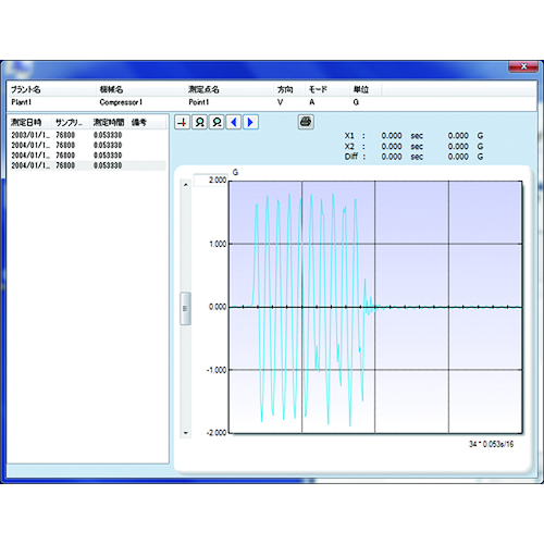
IMV(株) 品番:DB-2012 アイエムブイ パソコン用データ管理ソフト 特長本ソフトウェアは、カードバイブロAir2(TabletPC)で測定したデータを、パソコンで活用するためのソフトウェアです。商品スペック仕様・規格データ管理用材質-質量・質量単位10g使用条件-注意事項-セット内容・付属品-製造国日本小箱入数小箱入数とは、発注単位の商品を小箱に収納した状態の数量です。1個大箱入数大

IMV(株)
品番:DB-2012
アイエムブイ パソコン用データ管理ソフト 
特長本ソフトウェアは、カードバイブロAir2(TabletPC)で測定したデータを、パソコンで活用するためのソフトウェアです。商品スペック仕様・規格データ管理用材質-質量・質量単位10g使用条件-注意事項-セット内容・付属品-製造国日本小箱入数小箱入数とは、発注単位の商品を小箱に収納した状態の数量です。1個大箱入数大箱入数とは、小箱に収納した状態で、大箱に箱詰めしている数量です。-エコマーク商品認証番号-コード39-コード128-ITF-オプション品-
首页
产品
新闻
联系