静電気対策用品

OK International RCP-QD15 メトカル Metcal MFR-1110・2210シリーズ チップカートリッジ

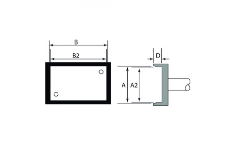
OK International 品番:RCP-QD15 メトカル Metcal MFR-1110・2210シリーズ チップカートリッジ 特長MFR-H1-SC/MFR-H1-SC2ハンドピースやMFR-UK1に使用出来ます。商品スペック仕様・規格ヒーター温度471℃ クアッド型 A:13.34mmA2:12.32mmB:13.34mmB2:12.32mmD:2.79mm材質-質量・質量単位1

OK International
品番:RCP-QD15
メトカル Metcal MFR-1110・2210シリーズ チップカートリッジ 
特長MFR-H1-SC/MFR-H1-SC2ハンドピースやMFR-UK1に使用出来ます。商品スペック仕様・規格ヒーター温度471℃ クアッド型 A:13.34mmA2:12.32mmB:13.34mmB2:12.32mmD:2.79mm材質-質量・質量単位18g使用条件-注意事項-セット内容・付属品-製造国アメリカ小箱入数小箱入数とは、発注単位の商品を小箱に収納した状態の数量です。1本大箱入数大箱入数とは、小箱に収納した状態で、大箱に箱詰めしている数量です。-エコマーク商品認証番号-コード39RCP-QD15コード128-ITF-オプション品-
首页
产品
新闻
联系