空圧工具

不二空機(株) 5412051261 不二 D-004413-00NO.1ユウセイギヤ (FBM-80A-6用)

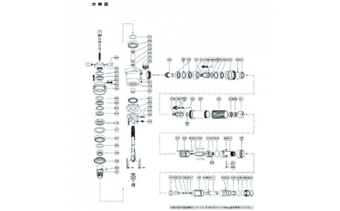
不二空機(株) 品番:5412051261 不二 D-004413-00NO.1ユウセイギヤ (FBM-80A-6用) 商品スペック仕様・規格適合機種:FBM-80A-6材質-質量・質量単位21.15g使用条件-注意事項-セット内容・付属品-製造国日本小箱入数小箱入数とは、発注単位の商品を小箱に収納した状態の数量です。1個大箱入数大箱入数とは、小箱に収納した状態で、大箱に箱詰めしている数量です

不二空機(株)
品番:5412051261
不二 D-004413-00NO.1ユウセイギヤ (FBM-80A-6用) 
商品スペック仕様・規格適合機種:FBM-80A-6材質-質量・質量単位21.15g使用条件-注意事項-セット内容・付属品-製造国日本小箱入数小箱入数とは、発注単位の商品を小箱に収納した状態の数量です。1個大箱入数大箱入数とは、小箱に収納した状態で、大箱に箱詰めしている数量です。-エコマーク商品認証番号-コード39-コード128-ITF-オプション品不二 パイプ開先加工機 無負荷回転数(rpm)100(FBM-80A-6)
首页
产品
新闻
联系